Hatalmas választék egy helyen - Bárhonnan, bármikor lehet vásárolni

www.kamenik.hu
Kategóriák
www.kamenik.hu
  • Kategóriák
    • Gyermekek 44491
    • Minden otthonra és kertre 122293
    • Sport és turizmus 2491
    • Háztartási elektronika 3977
    • Szupermarket 8521
    • Legkeresettebb termékek 339
    • Egészség és szépség 6633
    • Kultúra és szórakozás 1429
    • Akciós termékek 228
    • BlackFriday 693
  • Blog
  • Termék reklamáció
  • Információk a személyes adatok kezeléséről (GDPR)
Védőburkolat a szerszámokhoz - Makita DHS660 Rail Adapter 199232-5
Védőburkolat a szerszámokhoz - Makita DHS660 Rail Adapter 199232-5
22 837,38 Ft
  1. Védőburkolat a szerszámokhoz
  1. Minden otthonra és kertre
  2. Szerszámok és alkatrészek
  3. Tartozékok elektromos szerszámokhoz
  4. Alkatrészek az elektromos szerszámokhoz
  5. Védőburkolat a szerszámokhoz

Védőburkolat a szerszámokhoz - Makita DHS660 Rail Adapter 199232-5

Cikkszám: 
13854664580
Védőburkolat a szerszámokhoz - Makita DHS660 Rail Adapter 199232-5
22 837,38 Ft
  • Részletek
  • Vélemények
Részletek
Szerszámok védőburkolata.Alkatrészek elektromos szerszámokhoz.Alkatrészek elektromos szerszámokhoz.Védőburkolat a KAMENIK szerszámokhoz.




/ Makita osłona pasa napędowego do przecinarki spalinowej EK6101


BELT COVER MAKITA CPL.




  • Producent: Makita

  • Kod producenta: 143438-7 / 315211651

  • Pozycja na schemacie: 142 - EK6101


Zastosowanie:


Przecinarka spalinowa


  • EK6101



Spis części do EK6101


Pozycja na schemacie, Nr katalogowy, Opis, Ilość


001 ; 123476-5 Zbiornik kpl. ; 1


002 ; 143445-0 Pokrywa zaworu kpl. ; 1


003 ; 424170-5 Zawór ; 1


004 ; 213829-7 O-ring 17 ; 2


005 ; 852C57-3 Tabliczka znamionowa EK6101 ; 1


006 ; 264108-6 SQUARE NUT M5 ; 5


007 ; 456295-7 Powłoka zewnętrzna uchwytu ; 1


008 ; 266478-9 Wkręt samogwintujący z gniazdem 6-karbowym 5.5X16 ; 1


009 ; 424781-6 Stopka gumowa ; 1


010 ; 163499-1 SUCTION HEAD ; 1


011 ; 424782-4 Przewód :paliwa ; 1


012 ; 213826-3 O-ring 13 ; 1


013 ; 213827-1 O-ring 20 ; 1


014 ; 456299-9 Złączka ; 1


015 ; 141378-3 TANK CAP COMPLETE ; 1


016 ; 213080-9 O-ring 29.5 ; 1


017 ; 346958-2 BOTTOM SHEET ; 1


018 ; 266991-7 Wkręt samogwintujący z gniazdem 6-karbowym 5X15 ; 4


019 ; 266605-8 Śruba z gniazdem 6-karbowym M5X16 ; 2


020 ; 143461-2 Sprężyna amortyzatora kpl. ; 2


021 ; 266950-1 Śruba z gniazdem 6-karbowym M6X14 ; 2


022 ; 143442-6 Uchwyt pałękowy kpl. ; 1


023 ; 143460-4 Sprężyna amortyzatora kpl. ; 1


024 ; 143462-0 Sprężyna amortyzatora kpl. ; 1


025 ; 266950-1 Śruba z gniazdem 6-karbowym M6X14 ; 1


026 ; 266475-5 Wkręt samogwintujący z gniazdem 6-karbowym 5.5X20 ; 2


028 ; 456297-3 Uchwyt zacisk ; 1


029 ; 266990-9 Śruba z gniazdem 6-karbowym M6X35 ; 1


030 ; 319369-4 STAND SUPPORT ; 1


031 ; 424788-2 Amortyzator ; 1


032 ; 266475-5 Wkręt samogwintujący z gniazdem 6-karbowym 5.5X20 ; 2


033 ; 424781-6 Stopka gumowa ; 2


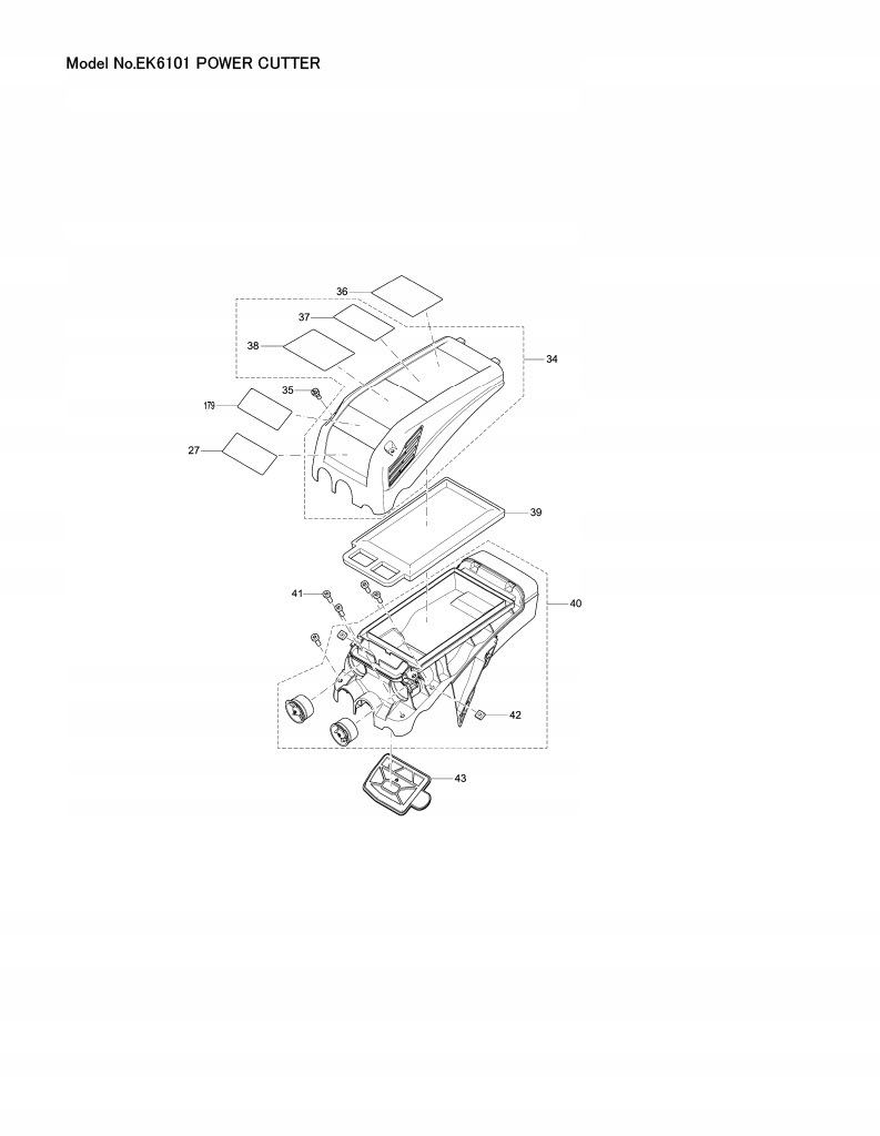
034 ; 143451-5 Pokrywa filtra kpl. ; 1


035 ; 266947-0 Śruba z gniazdem 6-karbowym M5X14 ; 2


036 ; 807L79-2 Etykieta ostrzegawcza ; 1


037 ; 807F55-0 Etykieta ostrzegawcza ; 1


038 ; 807F56-8 Naklejka z instrukcją ; 1


039 ; 424789-0 AIR FILTER ; 1


040 ; 143490-5 Komplet osłony ; 1


041 ; 266605-8 Śruba z gniazdem 6-karbowym M5X16 ; 5


042 ; 264108-6 SQUARE NUT M5 ; 2


043-1 ; 422201-4 SEALING INTAKE MANIFOLD ; 1


044 ; 456291-5 Kolektor ; 1


045 ; 346957-4 Sprężyna styku ; 1


046 ; 456292-3 Dźwignia dławika ; 1


047 ; 264119-1 HEXAGONAL NUT M4 ; 4


048 ; 456294-9 Dźwignia wychwytnika ; 1


049 ; 233631-2 Sprężyna ; 1


050 ; 456293-1 Dźwignia przepustnicy ; 1


051 ; 326621-3 Dźwignia przepustnicy ; 1


052 ; 168398-2 PRIMER PUMP ; 1


053 ; 424785-8 VITON TUBE L=122mm ; 1


054 ; 424783-2 VITON TUBE L=40mm ; 1


055 ; 424784-0 VITON TUBE L=84mm ; 1


056 ; 424786-6 VITON TUBE L=200mm ; 1


057 ; 424787-4 TUBE. VITON 10X6 L=82MM ; 1


058 ; 346956-6 Uszczelka kolektora ; 1


059 ; 346955-8 Uszczelka zaworu powietrza ; 1


060 ; 143440-0 INTERMEDIATE WALL CPL. ; 1


062 ; 424780-8 Wsad z gabki ; 1


064 ; 424777-7 SUCTION PIPE ; 2


065 ; 346867-5 Pierścień blokujący ; 1


066;  424778-5 Złączka ; 1


068;  143439-5 Wąż powietrza kpl. ; 1


069 ; 424795-5 Wężyk ; 1


070-1 ; 326770-6 Złączka ; 1


071-1A ; 251577-0 H.L. SOCKET HEAD BOLT M5X16 ; 2


071-1D ; 251577-0 H.L. SOCKET HEAD BOLT M5X16 ; 2


072-1A ; 251577-0 H.L. SOCKET HEAD BOLT M5X16 ; 2


072-1D ; 251577-0 H.L. SOCKET HEAD BOLT M5X16 ; 2


073 ; 346951-6 Zawór przewodu ; 1


074 ; 310674-2 Ogranicznik zaworu ; 1


075 ; 266985-2 Śruba z gniazdem 6-karbowym M4X8 ; 1


076 ; 346959-0 Płytka radiacyjna ; 1


077 ; 346876-4 Uszczelnienie tłumika ; 1


078 ; 161392-3 Komplet tłumika ; 1


080 ; 266605-8 Śruba z gniazdem 6-karbowym M5X16 ; 3


082 ; 264108-6 SQUARE NUT M5 ; 1


083 ; 143454-9 STARTING DEVICE BLUE CPL. ; 1


084 ; 143455-7 Obudowa rozrusznika ; 1


085 ; 806K78-5 Etykieta z logo Makita ; 1


086 ; 452458-3 Uchwyt startera ; 1


087 ; 267862-1 Podkładka sprężynowa 5 ; 1


088 ; 424797-1 Linka rozrusznika ; 1


089 ; 266938-1 Śruba z gniazdem 6-karbowym M5X20 ; 4


090 ; 140587-1 Komplet sprężyny zwijającej ; 1


092 ; 456308-4 Bęben rozrusznika ; 1


093 ; 234193-3 SPRING EASY START ; 1


094 ; 456309-2 Łatwe uruchamianie prowadnicy ; 1


095 ; 266616-3 Wkręt ; 1


096 ; 456307-6 Przesłona wlotu powietrza ; 1


097 ; 161390-7 Przewód zwarciowy ; 1


099-1 ; 266472-1 Śruba z gniazdem 6-karbowym M5X20 ; 2


100 ; 346954-0 EARTH SHEET ; 1


101 ; 451462-9 Podkładka ; 2


102-1 ; 123479-9 Cewka zapłonowa kpl. ; 1


103 ; 424706-0 PLUG CAP ; 1


104 ; 168517-0 SPARK PLUG ; 1


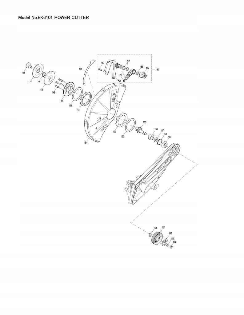
105 ; 143450-7 Komplet koła zamachowego ; 1


106 ; 346953-2 Zapadka ; 2


107 ; 267822-3 Podkładka sprężynowa 8 ; 1


108 ; 264022-6 HEX. NUT M8X1 ; 1


109 ; 456289-2 Pokrywa radiacyjna ; 1


110 ; 266942-0 Śruba z gniazdem 6-karbowym M5X20 ; 1


111 ; 143437-9 Komplet obudowy skrzyni korbowej MS ; 1


112 ; 266984-4 Śruba z gniazdem 6-karbowym M5X25 ; 4


113 ; 266984-4 Śruba z gniazdem 6-karbowym M5X25 ; 4


114 ; 213814-0 Pierścień promieniowy ; 2


115 ; 211154-0 BALL BEARING 6202 ; 1


116 ; 143435-3 CRANK SHAFT COMPLETE ; 1


117 ; 212164-0 Łożysko igiełkowe ; 1


118 ; 346950-8 Uszczelka podstawy cylindra ; 1


119 ; 319375-9 Cylinder 47 ; 1


120-2 ; 191L97-3 PISTON SET ; 1


121 ; 257384-9 Pierścień tłoka D47 ; 1


122-1 ; 234390-1 Zacisk tłoka 11 ; 1


123-1 ; 257846-7 Sworzeń tłoka ; 1


124 ; 346966-3 Uszczelka skrzyni korbowej ; 1


125 ; 258038-1 Sztyft spiralny 3-16 ; 4


126 ; 211154-0 BALL BEARING 6202 ; 1


127 ; 266474-7 Śruba z gniazdem 6-karbowym M5X9 ; 1


132 ; 143449-2 Komplet obudowy skrzyni korbowej CS ; 1


135 ; 211168-9 BALL BEARING 6901 ; 2


137 ; 161387-6 Bęben sprzęgła ; 1


138 ; 257385-7 SPACER ; 1


139 ; 267389-1 Podkładka 12 ; 1


140 ; 168510-4 Sprzęgło kpl. ; 1


141 ; 424799-7 Pasek klinowy ; 1


142 ; 143438-7 Pokrywa paska kpl. ; 1


143 ; 266942-0 Śruba z gniazdem 6-karbowym M5X20 ; 4


144 ; 266976-3 Śruba z łbem sześciokątnym M8X25 ; 1


146 ; 234389-6 Pierścień ustalający 20X1.2 ; 1


148-1A ; 251577-0 H.L. SOCKET HEAD BOLT M5X16 ; 6


148-1D ; 251577-0 H.L. SOCKET HEAD BOLT M5X16 ; 6


149 ; 319373-3 Pierścień dociskowy ; 1


150 ; 424792-1 Dysk ślizgowy ; 1


151 ; 424794-7 Pierścień gumowy (wewnętrzny) ; 1


152 ; 424793-9 Pierścień gumowy (zewnętrzny) ; 1


153 ; 424792-1 Dysk ślizgowy ; 1


154-1 ; 140V94-6 HOOD COMPLETE ; 1


155 ; 326623-9 Oś ; 1


156-1 ; 211137-0 BALL BEARING 6201LLU ; 1


157 ; 257386-5 SPACER ; 1


158 ; 234388-8 Pierścień ustalający 32X1.2 ; 1


159-1 ; 211137-0 BALL BEARING 6201LLU ; 1


160 ; 216217-7 Podkładka ; 1


161 ; 222188-8 PULLEY PJ6 ; 1


162 ; 310675-0 Tarcza mimośrodowa ; 1


163 ; 267822-3 Podkładka sprężynowa 8 ; 1


164 ; 264022-6 HEX. NUT M8X1 ; 1


165 ; 807G52-2 Etykieta ostrzegawcza ; 1


166-1 ; 183J43-8 Zestaw przystawki do wody ; 1


C10 ; 143452-3 Złącze wody kpl. do cięcia na mokrokpl. ; 1


167 ; 266994-1 Śruba dyszy ; 2


168 ; 213828-9 O-ring 11 ; 1


169 ; 213584-1 O-ring 16 ; 2


170 ; 424791-3 WATER FILTER ; 1


171 ; 213828-9 O-ring 11 ; 1


172 ; 266993-3 Śruba regulacyjna ; 1


176 ; 319371-7 Talerz dociskowy 20.0 ; 1


177 ; 319372-5 Talerz dociskowy 25.4 ; 1


178 ; 424796-3 Ogranicznik ; 1


180 ; 234358-7 Sprężyna zacisku ; 1


181 ; 266626-0 Wkręt samogwintujący z gniazdem 6-karbowym 5X12 ; 2


182 ; 233629-9 Sprężyna skrętna ; 2


185-1 ; 143441-8 AIR HEAD COMPLETE ; 1


190 ; 161395-7 Gażnik dpc DM21A ; 1


192 ; 234390-1 Zacisk tłoka 11 ; 1


193A ; 422641-6 INTAKE FLANGE GASKET ; 1


193D ; 422641-6 INTAKE FLANGE GASKET ; 1


A01-2 ; 198692-8 Zestaw narzędzi ; 1


C10 ; 782025-3 Wkrętak torx ; 1


C20 ; 782033-4 Klucz uniwersalny 13/19 ; 1


C30 ; 783012-5 Śrubokręt ; 1


C40 ; 831340-3 Torba na klucze montażowe ; 1


A02 ; 123121-2 Szybkozłączka ; 1


A03A ; B-54053 DIAMOND WHEEL350X25.4, NEBULA ; 1


B01 ; 183J68-2 Cylinder+tłok ; 1


B02 ; 183F33-7 STARTER-RATCHET SET ; 1


E01 ; 809P13-2 Naklejka ; 1












Lokalizacja: nr 9





Vélemények
Legyen Ön az első, aki véleményt ír!
Véleményt írok
Vásárlói fiók
  • Belépés
  • Regisztráció
  • Profilom
  • Kosár
  • Kedvenceim
Információk
  • Általános szerződési feltételek
  • Adatkezelési tájékoztató
  • Fizessen a rendeléséért
  • Szállítás
  • Elérhetőségek
KAMENÍK Monika Kameníková Mäsiarová
  • 34480 Jablonka, Magurska 8
  • +36 (1) 300-92-00
  • info@kamenik.hu
  • Facebook

Lorem ipsum dolor
  • lorem
  • ipsum dolor
  • sit amet
  • lorem
  • consectetur
Árukereső.hu
stripe_com
  • Gyermekek 44491
  • Minden otthonra és kertre 122293
  • Sport és turizmus 2491
  • Háztartási elektronika 3977
  • Szupermarket 8521
  • Legkeresettebb termékek 339
  • Egészség és szépség 6633
  • Kultúra és szórakozás 1429
  • Akciós termékek 228
  • BlackFriday 693
  • Blog
  • Termék reklamáció
  • Információk a személyes adatok kezeléséről (GDPR)
Nyelv váltás
  • hu
  • bg
Belépés
Regisztráció
Adatkezelési beállítások
Weboldalunk az alapvető működéshez szükséges cookie-kat használ. Szélesebb körű funkcionalitáshoz (marketing, statisztika, személyre szabás) egyéb cookie-kat engedélyezhet. Részletesebb információkat az Adatkezelési tájékoztatóban talál.